Home
Prox / RFID
Verichips
Ladder Logic
[interfacing] †
Tube Joints
Key Code From Photo
SolveSpace (3d CAD)
SketchFlat (2d CAD)
Photographs
Miscellany
Resume / Consulting
Contact Me

LDmicro Forum - 7 SEGMENTOS

(you are viewing a thread; or go back to list of threads)

7 SEGMENTOS (by Manuel)
te mando foto
Wed Jan 21 2026, 06:15:07, download attachment 20260121_115326.jpg
(no subject) (by MGP)
Why do you always post pictures? I can't make any changes to them on my computer because none of the lines are straight.

I don't like that schematic with the 7414, but I'd like the project file with the setup in the photo below.
I also have Proteus, but I never use it and could test it myself.
So, could you post that Proteus file?

One more thing: why are you using CA displays and not CC displays? Have you bought them yet?
Wed Jan 21 2026, 14:07:54, download attachment Snap423.jpg
(no subject) (by MGP)
Never mind, there's something wrong with Proteus.

I'll try it on a breadboard tomorrow and let you know.
Wed Jan 21 2026, 17:26:43
7 SEGMENTOS (by Manuel)

HOLA MGP

Me preguntas por que uso Ca y no CC porque avía comprado una remesa en CA yo no soy muy experto tu que sabes mucho de esto
me podrís explicar la diferencia

descarga el archivo se abre con proteos


Un saludo Manuel
Thu Jan 22 2026, 05:35:03, download attachment PARA PROBAR.rar
(no subject) (by MGP)
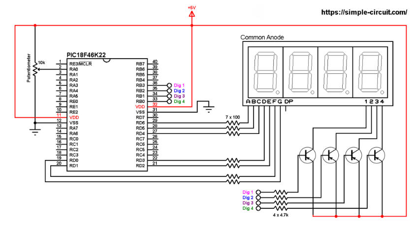
CC displays aren't better, but they are easier to work with. You can use a ULN2803 (or NPN transistors) to drive them, which are very common.
A CA display usually uses PNP transistors, so you have to invert the outputs of #PORTB. This doesn't improve readability, but the operation remains the same.

The diagram below shows how you can drive these anodes with PNP transistors.
Thu Jan 22 2026, 11:18:27, download attachment Snap427.jpg
(no subject) (by MGP)
I stripped down your program because I only wanted to test the displays.

The display module in the photo has PNP transistors and SMD resistors on the back of the board.

I also programmed a different scan generator (C11 is now 'tel') because the C11 counter was much too slow to drive 9 displays. You could see the scan performance and that was very poor.

The program now works 100%, and you can continue building with it.
Be careful not to make the program too long; 1mS cycle time isn't much.
Thu Jan 22 2026, 11:38:42, download attachment Stripped_PROBANDOCONTADORANODOCOMUN88.ld
(no subject) (by MGP)
Now the photo of the test.
Thu Jan 22 2026, 11:39:34, download attachment P1050015.JPG
(no subject) (by MGP)
Photo2

Btw, do not forget adding pullup/pulldwn resitors when using push buttons.
Thu Jan 22 2026, 11:42:46, download attachment P1050014.JPG
(no subject) (by MGP)
After testing, I forgot to put something back in the program.

In rung20, you need to change the equation [tel>=9] to [tel>=10], otherwise display 9 won't be shown.
Thu Jan 22 2026, 12:05:49
Post a reply to this comment:
Your Name:
Your Email:
Subject:
(no HTML tags; use plain text, and hit Enter for a line break)
Attached file (if you want, 5 MB max):